비드프로 고객 상담
전화 :
031 628 7891
팩스 :
031 628 7895
평일 9AM ~ 6PM 토/일/휴일 휴무
 
입찰정보 > 입찰공고 현황 > 물품
1. 공고일반 ※ 회원가입 후 시그니처 입찰시스템을 활용해보세요!
공고번호 R25BK01215642-000 공고일시 
공고명 M50 소재 Roller RCF 시편
공고기관 한국생산기술연구원 수요기관 한국생산기술연구원
공고담당자 이소정(☎: 041-589-8542)    
입찰방식 전자시담 계약방법 수의계약
국제입찰구분    
 
2. 입찰일시
입찰개시일시 2025/12/09 15:30    
입찰(투찰)마감일시 2025/12/09 18:00 개찰(입찰)일시 2025/12/09 19:00
 
3. 입찰금액
기초금액
0 원
   
배정예산
22,000,000 원
   
추정가격
20,000,000 원
낙찰하한율
-
 
4. 입찰공고서 원문
 

 

 

 

 

 

M50 소재 Roller RCF 시편  

 

 

 

 

 

2025. 10. 

 

 

모빌리티부품그룹 

한국생산기술연구원 

 

 

담당 

사양   

모빌리티부품그룹 

허인강 

TEL: 054-630-0809 

입찰 및 계약 

구매장비관리실 

이소정 

TEL: 041-589-8542 

 

 

 

 

I 

   

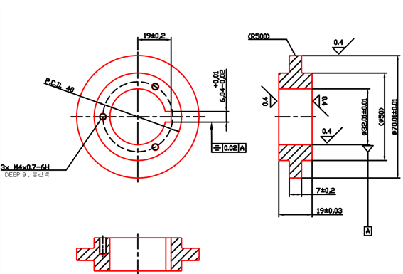
 규격 개요  

 

 

 

1. 품명 : M50 소재 구름접촉피로 시편 

 

2. 수량 : 50 EA  

 

3. 특성 및 용도 

  ㅇ M50 소재의 구름접촉피로 시험을 위한 시편 

4. 규격 

  ㅇ 아래 도면 참고 

      - 사용 소재: M50 VIM-VAR, AMSS6491 

        - 경도: HRC 60 ~ 64 

        - 외경 조도 : 0.04μmRa 이하 

        - 내경 조도 : 0.04μmRa 이하 

      - 폭면 조도 : 0.04μmRa 이하 

 

  ㅇ 입찰 업체는 M50 VIM-VAR 정밀 베어링을 가스터빈 엔진용으로 납품한 실적이 요구됨 

 

그림입니다. 

         

 

 

 

  

5. 납품조건 

  ㅇ 납품장소 : 영주시 장수면 용주로 88-42 한국생산기술연구원 하이테크베어링기술센터 연구동 

  ㅇ 납품기한 : 계약일로부터 5개월 이내 

  ㅇ 납품방법 : 납품장소로 직접 전달(규격확인 검수 진행) 

  ㅇ 입찰 업체는 M50 VIM-VAR 정밀 베어링을 가스터빈 엔진용으로 납품한 실적이 요구됨 

  ㅇ 하자보증기간(임대기간) : 납품 완료일로부터 12개월 

  

6. 납품 및 검수 

  ㅇ “납품업체”는 계약서에 명시된 모든 물품을 납품 기한 내에 “수요기관”이 지정한 장소에 납품을 완료하여야 한다. 

  ㅇ  제품 납품 시 파손이나 시험운영 중 에러가 발생하였을 경우 동일 사양 이상의 신제품으로 교체를 원칙으로 하고, “수요기관”과 협의 후 진행해야 한다. 

 

 

7. 기타 조건 

  ㅇ 납품장비는 납품 규격서를 만족시키는 제조사 정품으로 공급되어야하며, 최신물품을 사용하여야 한다.  

  ㅇ 장애로 인하여 제품을 교체할 경우 제조사 정품 및 최신물품으로 교체해야 한다. 

 

 

   

 일반 사항 

 

 

 

1. 계약내용 및 이의의 해석 

  ㅇ 계약상대자는 계약서 내용에 기술되는 물품 등 일체를 공급하여야 하며,  본 규격서에 기술되어 있지 않은 사항 또는 불명확하다고 생각되는 사항은 한국생산기술연구원의 해석 및 의견을 확인하여야 한다. 

 

2. 계약상대자의 책무 

  ㅇ 계약상대자는 물품(장비)의 제작, 검사, 운반, 설치 및 시운전에 대한 전반적인 책임이 있으며, 모든 부품은 정상동작 상태 하에서 파손 또는 변형이 없이 충분한 강도와 성능을 보장하여야 한다. 

  ㅇ 계약상대자는 시험장비 제작 전 한국생산기술연구원으로부터 제작도면의  승인을 득하여야 한다. 

  ㅇ 물품(장비)를 납품함에 있어 계약 내용과 비교하여 필요한 부분의 누락 또는 생략이 되었을 경우 계약상대자는 계약사항에 포함된 것으로 간주하고 납품하여야 한다. 

  ㅇ 계약 후 납품된 물품(장비)의 하자 등 문제점 발생 시 이에 대한 책임은 계약상대자에게 있다.  

  ㅇ 물품(장비)의 설계, 제작, 시험 및 납품, 유지보수와 관련하여 제3자의 지식재산권 등의 권리 보호에 따른 문제점이 발생되지 않도록 하여야 하며 발생 시 이에 대한 책임은 계약상대자에게 있다. 

 

3. 포장 및 운반 

  ㅇ 포장은 운반 및 설치현장의 습도, 기후조건 등을 감안하여 장비 및 부품의 운반 또는 보관 중 손상이 발생하지 않도록 견고한 포장을 하여야 하며,  외부에서 보기 쉬운 곳에 색채 및 기호 등으로 각 기기의 번호, 명칭 등을 표시하여야 한다. 

  ㅇ 장비의 운반중 장비의 기능 및 성능에 영향을 미치는 손상이 발생했을 경우에는 이에 대한 사후처리 및 원형복구는 계약상대자의 책임 하에 이행하여야 한다. 

 4. 설치 

  ㅇ 설치작업 이전에 반드시 지정된 설치장소에 대한 기초상태 등 제반여건을 사전 확인한 후에 기계를 설치하여야 하며, 설치와 관련되는 모든 비용(장비, 인원, 동력 등)은 계약상대자가 부담한다. 

  ㅇ 계약 후 물품(장비)를 납품하여 설치 및 시운전시 계약상대자는 제품의 정상적인 가동에 필요한 모든 기술적인 업무를 지원하여야 한다. 

 

5. 안전대책 및 책임 

  ㅇ 계약수행 과정에서 발생하는 계약수행 인력의 제반 안전사고 책임 및 행정적, 기술적 비용과 문제처리는 계약상대자 부담한다. 

  ㅇ 계약상대자는 계약수행 인력의 작업 중 안전사고 예방에 관한 규정을    제정․시행하여야 한다. 

  ㅇ 계약상대자는 납품 및 설치 과정의 안전관리 방안을 준비하여야 하며 이의 소홀로 발생한 문제는 계약상대자가 일체의 책임을 진다. 

  ㅇ 계약상대자는 계약수행 인력에 대하여 근로기준법, 산업안전보건법, 산업재해보상보험법, 직업안전법 등 제반 법률상 사용자로서의 책임과 의무를 이행하여야 한다. 

  ㅇ 계약수행 중 발생한 모든 안전사고에 대한 책임(민․형사상)은 계약상대자에게 있다. 

 

6. 보안 유지 

  ㅇ 계약상대자는 공고문, 규격서 등 공개된 문서 내용 외에 계약수행 과정 중 취득한 각종 정보를 한국생산기술연구원의 승인 없이 소유 또는 외부 유출 할 수 없다. 

  ㅇ 보안 유지가 필요한 계약의 경우 비밀유지 대책, 보안각서 등 한국생산기술연구원의 보안 요구사항에 응하여야 한다. 

  ㅇ 계약상대자는 계약 수행 관련 자료를 납품 전까지 별도 보관함에 구분하여 보관토록 하고, 관리책임자 정․부를 지정하여 관리하여야 한다. 

  ㅇ 계약상대자는 납품 및 설치 등을 위하여 한국생산기술연구원에 출입할 경우 작업지정 장소 이외의 공간에 출입을 금지한다.  

 

7. 교육훈련(기술지도) 

  ㅇ 계약상대자는 필요시, 시험장비의 운용이 가능하도록 사용법 및 기타 필요한 사항을 사용 담당자를 대상으로 납품 완료와 동시에 교육을 실시하여야 한다.  

  ㅇ 교육 일정 등 세부적인 사항에 대하여는 한국생산기술연구원과 사전 협의하여 결정한다. 

  ㅇ 장비 작동 매뉴얼은 납품 시 제출하여야 하며, 한국생산기술연구원의 검사담당자의 확인을 받아야 한다. 

 

8. 시운전 

  ㅇ 계약상대자는 시운전에 필요한 모든 사항은 준비한 시운전 계획 및 승인된 시험 점검을 위해 감독관 입회하에 시운전을 시행하여야 하며, 시운전 불합격 시는 즉각 결함부분을 시정하여 재시행하여야 한다. 

 

9. 보증 

  ㅇ 납품되는 모든 장비에 대하여 하자보증기간은 계약의 성격에 따라 납품 또는 검사검수 완료일로부터 12개월으로 하며 동 기간 안에 설계, 제작, 설치 공사 및 재결함 등으로 고장 또는 파손되었을 경우 계약상대자는 한국생산기술연구원에서 지정하는 기일 내에 무상으로 신속한 복구를 하여야 한다. 

  ㅇ 하자보증기간 만료 후에도 계약상대자는 부품, 소모품, 기타 운용에 필요한 모든 부속장비 및 정비에 대한 한국생산기술연구원의 요구에 협의해야 한다. 

 

10. 운용지원(AFTER SERVICE) 

  ㅇ 계약상대자는 제작 공급한 장비에 대한 신속하고 완벽한 운용지원(After Service)을 위하여 지원체제를 갖추어야 한다. 

 

 

 

 

   

 제안 일반사항  

 

 

1. 입찰참가서류 및 제안서 제출 

 ㅇ 제출 방법 : 온라인제출 (e발주시스템) 

 ㅇ 제출 기간 : 가격입찰서 제출기간과 동일 

 ㅇ 제출 서류 : 제안서 및 입찰참가서류 (입찰공고서 참조) 

 

2. 제안서 작성 방법 

 

(1) 제안서 규격 

  규격 및 재질 : A4 

  페이지 하단에 일련번호(페이지번호) 표시 필수 

 

(2) 제안서 작성 

   제안서 제출 : e발주시스템 전자제출 

목  차 

주 요 내 용 

Ⅰ. 업체 현황 

◦ 제안업체 일반현황 및 연혁 

◦ 보유 기술.전문지식.노하우(특허 등) 

◦ 주요사업내용 

◦ 경영실태(제안사의 경영실태 및 신용평가등급서 증빙 제출) 

Ⅱ. 장비 기술사양 

◦ 물품에 대한 상세 사양 

◦ 제시규격 및 품질보증계획 

◦ 장치간 연동방안 적정성(호환성, 확장성 등) 

Ⅲ. 장비관리 및 기술지원 

◦ 물품납품 이행일정 

◦ 설치 및 시험운영 계획 

◦ 장비운용 교육계획 

◦ 장비유지보수 방안 및 세부계획 

◦ 품질 보증 서비스(부품수급 등) 

< 필수 포함 내용 > 

 

○ 제품사용에 대한 교육일정 

○ 납품후 유지보수 계획 

 

Ⅳ. 기타 

◦ 기타 제출물 (브로셔, 책자 등) 

 

상기 제안서 목차를 중심으로 제안서를 작성하되, 필요시 새로운 항목을 추가할 수 있음 

3. 제안서 관련 기타사항 

 ㅇ 제안서 효력 

   - 제출기한 내에 미제출시는 제안 의사가 없는 것으로 처리하고, 제안된 자료는 일체 반환하지 아니함 

   - 제출된 제안서의 내용은 한국생산기술연구원이 요청하지 않는 한 변경할 수 없음 

   - 한국생산기술연구원은 필요시 제안서 제출자에 대하여 추가 제안이나 추가 자료를 요청할 수 있으며, 이에 따라 제출된 자료는 제안서와 동일한 효력을 가짐 

   - 제안서에 제시된 내용(추가제안, 추가자료 포함)은 계약서에 명시하지 않더라도 계약서와 동일한 효력을 가짐. 다만, 계약서에 명시된 경우에는 계약서의 내용이 우선함 

   - 제안 내용에 대한 평가는 평가위원회를 구성하여 평가하고 제안서에 기재되지 않은 사항에 대하여는 평가하지 않음 

 

 ㅇ 유의사항 

   - 제출된 제안서는 일체 반환하지 않으며, 본 제안과 관련된 일체의 소요비용은 입찰참가자의 부담으로 함 

   - 평가기준 적용일은 입찰공고일 현재를 기준으로 함 

   - 제안내용에 대한 확인을 위하여 추가자료 요청 또는 현지실사를 할 수 있으며, 입찰참가자는 이에 응하여야 함 

   - 제안서의 내용을 객관적으로 입증할 수 있는 관련 자료는 제안서의 별첨으로 제출하여야 함 

   - 제안서 기재사항을 입증할 수 없거나 허위로 작성한 사실이 밝혀질 경우 평가 대상에서 제외하며, 계약 후에도 제안서의 내용이 허위로 작성한 사실이 발견되거나 제안된 내용을 충족시키지 못할 경우 입찰참가업체가 책임을 져야 함 

   - 제안 업체는 가능한 한 제안요청서에서 제시한 정보들의 정확성에 대해 스스로 확인할 것을 권고함. 한국생산기술연구원은 제안요청서나 기타 첨부 자료 상의 오류나 누락에 대해 책임을 지지 아니함 

   - 사업자로 선정된 이후에 한국생산기술연구원과의 협의 없이 사양을 변경하여 납품하지 아니함 

   - 과제 수행 완료 후 사업자의 사업 수행결과가 불량한 경우 향후 관련 사업의 참여에 제한을 받을 수 있음 

   - 담합 등의 방법으로 입찰의 공정성을 해한 제안업체는 평가대상에서 제외되며, 계약 이후라도 계약파기, 인적․물적․기간적 손실에 대한 손해배상 등 이에 상응하는 책임을 부담함 

   - 제안요청서, 제안서, 계약서 등에 명시된 내용의 해석에 있어 그 뜻이 모호하여 의견을 달리할 경우 한국생산기술연구원의 해석을 따르도록 함 

   - 제안 업체는 제안서 평가방법 또는 평가결과에 대해 이의를 제기할 수 있음 

 

 ㅇ 비밀 및 보안 유지 

   - 제안 참여업체는 제안서를 포함한 모든 문서를 낙찰자 결정시까지 대외비로 취급하여야 하며, 제안 참여업체 관계자 이외의 제3자에게 공개할 수 없음 

   - 본 규격평가기준서 및 제안서의 전체 또는 일부를 제안서 제출외의 다른 목적으로 사용할 수 없음 

   - 입찰 과정 중 취득한 각종 정보와 계약 이행과정 중 취득한 정보를 누설할 수 없음 

   - 위 사항을 위반하여 문제가 발생한 경우 해당 업체는 이에 따르는 전적인 책임을 지도록 함 

 

 

 

 

 

 

 

 

 

 

   

 제안서 평가 

 

 

 1. 평가기준 :「규격가격 동시입찰 계약 운영지침」(한국생산기술연구원) 

 

2. 평가방법 

  기술(규격)제안서를 평가하여 평가위원별 평가점수를 합산하여 최고점수와 최저점수를 제외하고(최저 또는 최고점수가 2개 이상일 때에는 이중 하나만 제외) 산출한 평균점수가 85점 이상인 자를 규격적격자로 결정 

  적격자에 한하여 가격입찰서를 개찰하여 예정가격이하 최저가격으로 입찰한 자를 낙찰자로 선정 

  규격적격자가 2인 이상인 경우로서 가격개찰 결과가 예정가격 이하로 입찰한  자가 없을 때는 당해 규격적격자를 대상으로 다시 가격입찰을 할 수 있음   

  최저가격 제출자가 2인 이상인 경우에는 규격입찰서 평가점수의 고득점자를 낙찰자로 결정하고, 규격입찰서 평가점수도 동일한 경우에는 추첨으로 결정 

  ㅇ기술능력은 4-8인 이내의 평가위원회를 구성하여 평가 

사업예산액 

(구매요구액) 

1억 원 미만 

1억 원 이상 ∼ 

10억 원 미만 

10억 원 이상 

위원 수 

4명 이상 

6명 이상 

8명 이상 

 

 ㅇ평가 방법 : 제안 발표(PT) / 서면평가 (택1) 

   - 발표 일시 및 장소 : 추후 개별 통보 

   - 제안업체별 진행시간 : 발표 15분, 질의응답 15분(발표 순서는 당일 지정) 

  

참고 

 

구매요구부서담당자는 구매대상 물품 및 용역의 특성 등을 감안하여 “Ⅰ. 제품규격”의 배점 범위 내에서 세부 평가항목을 정할 수 있음. 단, 필요에 따라 평가항목의 배점한도를 10점 범위 내에서 조정 가능 

가중치 없이 평가기준 작성 희망 시, 필요에 따라 계약담당자와 협의하고 [별표1] 삭제 

 

※ 참고사항 : 제한경쟁으로 진행되는 입찰 건에 대하여 실적으로 평가 불가 

   (추정가격이 기획재정부 고시금액* 미만인 경우 및 중소기업자간 경쟁제품 등) 

   * 고시금액 : 22. 5. 1. 기준 2.1억원 (추정가격은 부가세를 제외한 공급가를 의미함) 

 

 

3. 평가표 및 배점 

평가항목 

세부 평가항목 

배점 

비고 

계(Ⅰ+Ⅱ+Ⅲ) 

 

 

100 

 

Ⅰ. 제품규격 

1. 규격내용 

 가. 수량 및 구성 

10 

80 

[별표1] 

 나. 제시규격의 적정성 

30 

 다. 제품의 품질, 성능시험 

20 

 라. 제품의 호환성, 확장성 

5 

 마. 참여인력의 적정성  

5 

 바. 보유 기술․지식 

5 

 사. 사업수행계획 적정성 

5 

Ⅱ. 수행능력 

1. 경영상태  

 가. 신용평가등급 

10 

10 

[별표2] 

Ⅲ. 사후관리 

1. 사후교육 

 가. 납품 완료 후 교육내용 

5 

10 

[별표1] 

2. 유지보수 

 가. 하자보수방안의 충실성 

5 

 

 

Ⅰ. 제품규격 

별표 1평가 기준 및 등급별 가중치  

평가기준 

평가등급 

가중치 

- 매우 우수 

- 우수 

- 보통 

- 미흡 

- 매우 미흡 

A 

B 

C 

D 

E 

1.0 

0.8 

0.6 

0.4 

0.2 

 

Ⅱ. 수행능력 

 

 1. 경영상태  

 

별표 2신용평가등급에 의한 경영상태 평가 

회사채의 

신용평가등급 

기업어음의 

신용평가등급 

기업신용평가등급 

가중치 

AAA 

- 

AAA 

(회사채에 대한 신용평가 등급 AAA에 준하는 등급) 

1.000 

AA+, AA0, AA- 

A1 

AA+, AA0, AA- 

(회사채에 대한 신용평가 등급 AA+, AA0, AA-에 준하는 등급) 

 0.975 

A+ 

A2+ 

A+ 

(회사채에 대한 신용평가 등급 A+에 준하는 등급) 

 0.950 

A0 

A20 

A0 

(회사채에 대한 신용평가 등급 A0에 준하는 등급) 

 0.925 

A- 

A2- 

A- 

(회사채에 대한 신용평가 등급 A-에 준하는 등급) 

 0.900 

BBB+ 

A3+ 

BBB+ 

(회사채에 대한 신용평가 등급 BBB+에 준하는 등급) 

 0.875 

BBB0 

A30 

BBB0 

(회사채에 대한 신용평가 등급 BBB0에 준하는 등급) 

 0.850 

BBB- 

A3- 

BBB- 

(회사채에 대한 신용평가 등급 BBB-에 준하는 등급) 

 0.825 

BB+, BB0 

B+ 

BB+, BB0 

(회사채에 대한 신용평가 등급 BB+, BB0에 준하는 등급) 

 0.800 

BB- 

B0 

BB- 

(회사채에 대한 신용평가 등급 BB-에 준하는 등급) 

 0.775 

B+, B0, B- 

B- 

B+, B0, B- 

(회사채에 대한 신용평가 등급 B+, B0, B-에 준하는 등급) 

 0.750 

CCC+ 이하 

C 이하 

CCC+ 이하 

(회사채에 대한 신용평가 등급 CCC+에 준하는 등급) 

 0.725 

 

(1) 신용평가등급은 「신용정보의 이용 및 보호에 관한 법률」제4조제1항 제1호 또는 제4호의 업무를 영위하는 신용정보업자가 입찰마감일 이전에 평가하고, 유효기간 만료일이 입찰공고일 이후인 회사채, 기업어음, 기업신용평가등급을 기준으로 평가하되 가장 최근의 신용평가등급으로 평가한다. 

 

(2) ‘신용평가등급 확인서’가 확인되지 않은 경우에는 최저등급으로 평가하며, 유효기간 만료일이 입찰공고일인 경우에도 유효한 것으로 평가한다. 

 

(3) 합병한 업체에 대하여는 합병후 새로운 신용평가등급으로 심사하여야 하며 합병후의 새로운 신용평가등급이 없는 경우에는 합병대상업체 중 가장 낮은 신용평가등급을 받은 업체의 신용평가등급으로 심사한다. 

 

(4) 공동수급체의 경우 구성원별 해당 점수에 지분율을 곱한 후 그 점수들을 합산하여 최종 평가한다. [예] (A사 점수×A사 지분율)+(B사 점수×B사 지분율)… 

 

 

※ 제안서 작성 관련 양식 

제안서 목차 

그림입니다. 

제안서 

 

(제안서 목차 내용과 첨부1~4 서류를 

제안서에 포함시켜 작성) 

첨부1 

제안서 표지 

첨부2 

제안업체 일반현황 

첨부3 

사업 수행 조직도 

첨부4 

업무별 인력투입 계획 

첨부5 

청렴계약이행각서 

첨부6 

확약서 

 

 

 

 

제안서는 기술평가 시 근거가 되는 자료이며, “규격평가요청서”의 제안서 목차와 평가기준을 참고하시어 제안서를 작성 해주시기 바랍니다. 

    

제안서는 제안서 목차내용첨부(1~4) 양식을 포함해야 합니다. 

 

기타 입찰참가자격 확인서류 및 제안서 제출방법은 입찰공고문을 확인하여 주시기 바랍니다. 

 

<첨부 1> 

                                      

 

 

 

 

입 찰 공 고 명 

 

제   안   서 

 

 

 

 

 

 

 

상기 사업에 대한 제안서를 붙임과 같이 제출하며,  

동 제안서의 내용에 따라 성실하게 계약을 이행할 것을 약속합니다.  

 

 

                     20  .     .      

 

                     상  호 :  

                     주  소 :  

                     대표자 :                   (직인) 

 

 

 

한국생산기술연구원장 귀하 

<첨부 2> 

 

업체 일반현황 및 연혁 

 

1. 기본사항  

회 사 명 

 

대표자명 

 

주    소 

 

관할세무서 

 

전화번호 

 

팩스번호 

 

사업자번호 

 

업    종 

 

면허/허가/ 

등록증보유현황  

 

총종업원수 

 

매출액 

(전년도) 

 

자 본 금 

 

 

 

2. 회사연혁(수상실적 포함) 

연 월 일 

내              용  

비  고 

 

 

 

 

 

 

 

 

 

 

 

 

 

 

 

 

 

 

 

 

 

 

 주) 자격보유회사는 면허증, 허가증, 등록증 등 사본 첨부 

<첨부 3> 

사업 수행 조직도 

 

 

 

 

 

 

 

 

 

 

 

사업책임자 

 

 

 

 

 

 

 

 

 

 

 

 

 

 

 

 

 

 

 

 

 

 

 

 

 

 

 

 

 

 

 

 

 

 

 

주> 1. 분야별 책임자를 명시하여야 한다. 

   2. 분야별 기술자 기재순서는 평가 시 참고할 수 있도록 순위별로 전문 엔지니어의 직위, 성명을 기재한다. 

<첨부 4> 

업무별 인력투입 계획 

업무별 인력 

업  무  명 

인원수 

기술 등급별 

특급 

고급 

중급 

초급 

Hardware 설계 

 

 

 

1 

 

Hardware 전장 

 

 

 

 

 

Software 

 

 

 

 

 

합     계 

 

 

 

 

 

 

자격 보유 

구  분 

기술사 

기사 

산업기사 

기능사 

... 

미보유 

합 계 

인원(명) 

 

 

 

 

 

 

 

비중(%) 

 

 

 

 

 

 

 

 

관련분야 프로젝트 수행경험 

구  분 

2년미만 

5년미만 

7년미만 

10년미만 

10년이상 

합 계 

인원(명) 

 

 

 

 

 

 

비중(%) 

 

 

 

 

 

 

 

<첨부 5> 

청렴계약이행서약서 

 

   당사는 부패 없는 투명한 기업경영과 공정한 행정이 사회발전과 국가 경쟁력에 중요한 관건이 됨을 깊이 인식하고, 국제적으로도 OECD뇌물방지 협약이 발효되고 부패기업 및 국가에 대한 제재가 강화되는 추세에 맞추어 청렴계약제 시행 취지에 적극 호응하여 한국생산기술연구원에서 시행하는공 고 명입찰에 참여함에 있어 당사 임직원과 대리인은 

 

  1. 입찰가격의 유지나 특정인의 낙찰을 위한 담합을 하거나 다른 업체와 협정, 결의, 합의하여 입찰의 자유경쟁을 부당하게 저해하는 일체의 불공정한 행위를 않겠습니다. 

 이를 위반하여 경쟁입찰에 있어서 특정인의 낙찰을 위하여 담합을 주도한 것이 사실로 드러날 경우 한국생산기술연구원에서 발주하는 입찰에 입찰참가자격제한 처분을 받는 날로부터 2년 동안 참가하지 않겠으며, 경쟁입찰에 있어서 입찰자간에 서로 상의하여 미리 입찰가격을 협정하거나 특정인의 낙찰을 위하여 담합을 한 사실이 드러날 경우 한국생산기술연구원에서 발주하는 입찰에 입찰참가자격 제한 처분을 받는 날로부터 1년 동안 참여하지 않고 위와 같이 담합 등 불공정행위를 한 사실이 드러날 경우 독점규제 및 공정거래에 관한 법률에 따라 공정거래위원회에 발주관서가 고발하여 과징금 등을 부과토록 하는데 이의를 제기하지 않겠습니다. 

 

  2. 입찰, 계약체결 및 계약이행 과정에서 관계공무원에게 직․간접적으로 금품․향응 등의 뇌물이나 부당한 이익을 제공하지 않겠습니다. 

  이를 위반하여 입찰, 계약의 체결 또는 계약이행과 관련하여 관계자에게 뇌물을 제공함으로써 입찰에 유리하게 되어 계약이 체결되었거나 시공 중 편의를 받아 부실하게 시공한 사실이 드러날 경우에는 한국생산기술연구원에서 발주하는 입찰에 입찰참가자격제한 처분을 받는 날로부터 2년 동안 참가하지 않겠으며 입찰 및 계약조건이 입찰자 및 낙찰자에게 유리하게 되도록 하거나, 계약목적물의 이행을 부실하게 할 목적으로 관계공무원에게 뇌물을 제공한 사실이 드러날 경우에는 한국생산기술연구원에서 발주하는 입찰에 입찰 참가자격제한 처분을 받는 날로부터 1년 동안 참가하지 않고 입찰, 계약체결 및 계약이행과 관련하여 관계자에게 뇌물을 제공한 사실이 드러날 경우에는 한국생산기술연구원에서 발주하는 입찰에 입찰참가자격제한 처분을 받는 날로부터 6개월 동안 참가하지 않겠습니다. 

 

  3. 입찰, 계약체결 및 계약이행과 관련하여 관계자에게 뇌물을 제공한 사실이 드러날 경우에는 계약체결 이전의 경우에는 낙찰자 결정취소, 사업 착수 전에는 계약취소, 사업 착수 이후에는 발주처에서 전체 또는 일부계약을 해지하여도 감수하고 민․형사상 이의를 제기하지 않겠습니다. 

 

  4. 회사 임․직원이 관계자에게 뇌물을 제공하거나 담합 등 불공정 행위를 하지 않도록 하는 회사윤리강령과 내부비리 제보자에 대해서도 일체의 불이익 처분을 하지 않는 사규를 제정토록 노력하겠습니다. 

 

  5. 본 건 입찰, 계약체결, 계약이행, 계약완료와 관련하여 한국생산기술연구원에서 요구하는 자료제출, 서류 열람, 현장 확인 등 활동에 적극 협조하겠습니다. 

 

   위 청렴계약이행서약은 상호신뢰를 바탕으로 한 약속으로서 반드시 지킬 것이며, 낙찰자로 결정되어 계약체결 시 본 서약내용을 그대로 계약특수조건으로 계약하여 이행하고, 입찰참가자격제한, 계약해지 등 한국생산기술연구원의 조치와 관련하여 당사가 한국생산기술연구원을 상대로 손해배상을 청구하거나 당사를 배제하는 입찰에 관하여 민․형사상 이의를 제기하지 않을 것을 서약합니다. 

 

20  .   .   

 

서 약 자 :  ○○회사 대표 ○○○ (인) 

 

한국생산기술연구원장 귀하 

<첨부 5> 

 

확  약  서 

 

   본인은 한국생산기술연구원에서 발주하는 『공 고 명』 제안서를 제출하며 본 제안서의 허위기재 또는 부실 자료 작성으로 인하여 초래하는 평가상의 불이익은 물론 부정당업자 제재 또는 낙찰 대상에서 제외 및 사업자 선정방식 및 제안요청서 등 본 입찰에 관련된 귀 원의 조치에 이의가 없으며 어떠한 처분에도 이의를 제기하지 않을 것임을 확약합니다. 

 

 

 

 

 

 

 

20 .   .    . 

 

 

 

 

                  주  소 : 

 

                  기관명 : 

 

                  대표자 :              (인) 

 

 

 

 

한국생산기술연구원장 귀하 

작성 가이드 

 

물품 카테고리별 사양/규격서 샘플입니다.  

샘플작성을 위해 임의 편집하음을 알려드립니다. 

주요 확인사항은 붉은색 표시했으니 확인 필! 바랍니다